Chapter 10

Cards (12)

  • Kirchhoff's second law states in any circuit, the sum of the electromotive forces is equal to the sum of the p.d's around a closed loop
  • In a series circuit, the current is the same everywhere. In a parallel circuit the current is shared between loops.
  • In a series circuit, there is only one loop so the potential difference is shared between components. In a parallel circuit, the potential difference is the same in each loop.
  • Total resistance in a series circuit is the sum of the resistance of the individual components

    R=R =R1+ R_1 +R2+R_2 +......
  • The total resistance in a parallel circuit is less than that of its smallest component. The reciprocal of the total resistance is the sum of the reciprocals of the resistances of all the components.

    1R=\frac{1}{R}=1R1+\frac{1}{R_1}+1R2+\frac{1}{R_2}+......
  • The p.d. measured across a power source (the terminal p.d) is less than the actual e.m.f due to internal resistance. The difference is lost volts
  • The p.d. measured across a power source (the terminal p.d) is less than the actual e.m.f due to internal resistance. The difference is lost volts


    E=\mathcal{E} =V+V+IrIrE=\mathcal{E} =I(R+r) I(R+r)
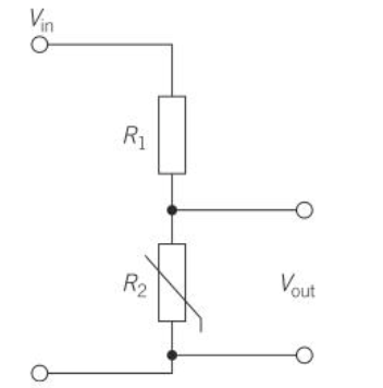
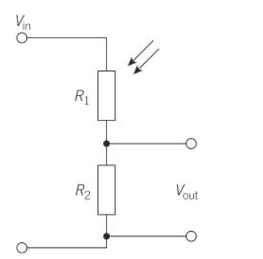
  • Potential dividers can be used to divide the p.d. of a power source to produce a desired voltage. A circuit can be connected across one of the resistors in parallel and the p.d. supplied to this new circuit can be varied to produce a lower voltage.
  • The potential divider equation can be defined as 

    Vout=V_{out} =(R2R1+R2)×Vin (\frac{R_2}{R_1 + R_2})\times V_{in}
  • A thermistor can be used to vary the output voltage depending on the temperature of the surroundings.
    As temperature increases, the resistance decreases so the output voltage output drops
  • A LDR can be used to vary the output voltage depending on light intensity.
    As light intensity increases, the resistance of the LDR falls so the p.d. across it decreases so R2 receives a greater proportion of the p.d. and so the output voltage
  • A potentiometer can also be used to vary the output p.d. of a circuit. When the contact is moved towards A, Vout increases until it is equal to Vin. When the contact is moved away from A, Vout decreases until it reaches 0